CFMoto
2023-2024 CFMoto 800MT MT 800 IBEX T Service Manual
2023-2024 CFMoto 800MT MT 800 IBEX T Service Manual
No se pudo cargar la disponibilidad de retiro
2023 to 2024 CF Moto 800MT MT 800 IBEX T Service / Repair / Workshop Manual
Provided in PDF form, in English Language is the CFMoto CF800-5 CF800-5A CF800-5US CF800-5AUS Service Manual.
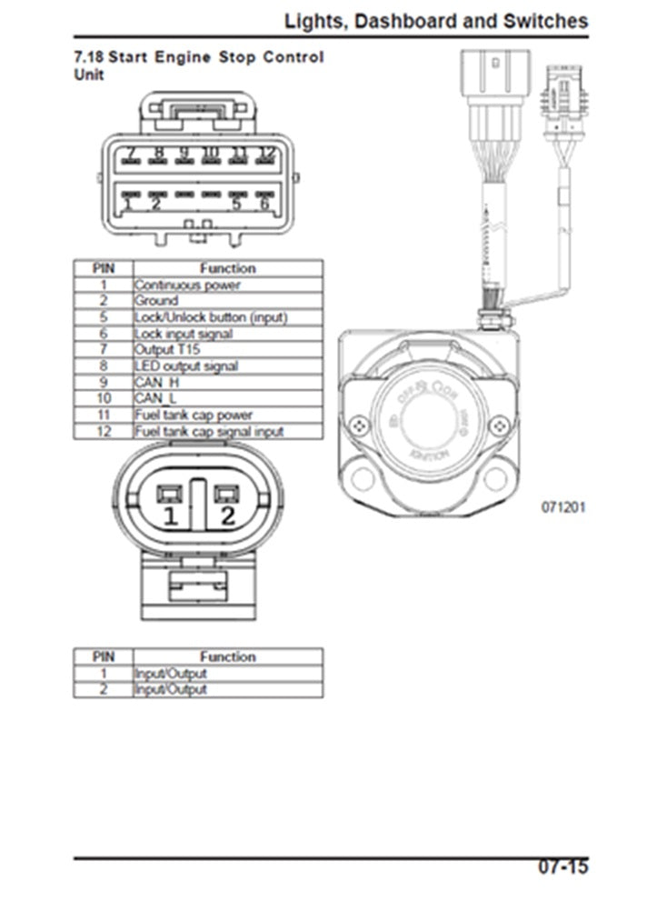
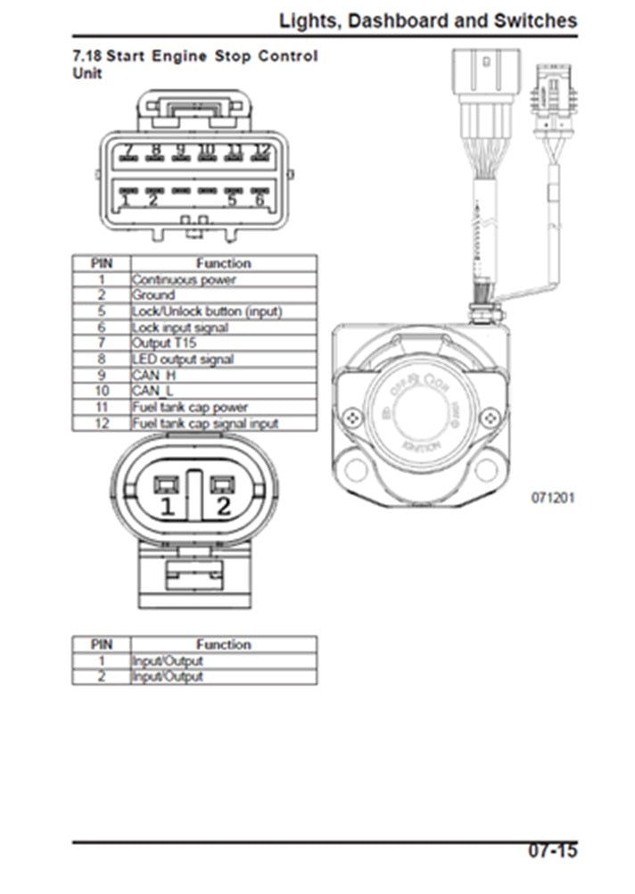
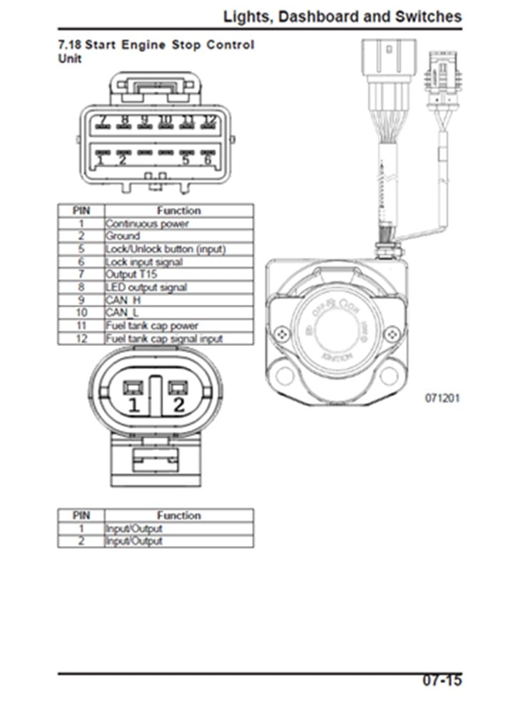
Includes wiring diagram.
Total of 269 pages.
Sample page is shown in the second product picture.
Features Following Chapters...
1. General Information
2. Maintenance Information
3. Technical Information
4. Seat
5. Body Covering Parts
6. Fuel System
7. Lights, Dashboard & Switches
8. Electrical System
9. Cooling System
10. Exhaust system
11. Wheels & Brake System
12. Shock Absorbers & Rear Fork
13. Engine
14. Handlebar, Triple Clamp Assembly
15. Wiring Diagram
Entrega manual de archivos
Entrega manual de archivos



-
Entrega de archivos electrónicos
Todos nuestros productos se entregan digitalmente, a través de enlaces de descarga generados automáticamente. Esto se completa una vez que haya completado su proceso de pago.
Tipos de archivoLa mayoría de los archivos proporcionados en estos productos están en formato PDF y necesitan un programa como Adobe Acrobat para poder leerlos en una PC, pero también se pueden leer en cualquier tableta, iPad, teléfono o cualquier otro dispositivo que pueda descargar archivos y abrir archivos PDF.
Algunos archivos también se suministran en otros formatos, que pueden ser imágenes en formato JPG o similares.
Calidad de archivo manual
La mayoría de los manuales que se encuentran en este sitio habrán sido escaneados en copia impresa.
Algunos de estos no están disponibles en absoluto, y también pueden estarlo escaneos de archivos fotocopiados del manual original.
Ésta es la naturaleza del problema a la hora de encontrar literatura que ayude a respaldar el uso y mantenimiento continuo de máquinas más antiguas.
Los archivos se habrán limpiado y se habrán hecho más fáciles de usar cuando corresponda.
Muchos de estos archivos pueden estar disponibles en otras fuentes, pero lo que ofrecemos aquí es una fuente central para muchos de los archivos disponibles, la mayoría de los cuales en un formato más utilizable.
Envío
No proporcionamos ningún manual impreso.Sólo se suministran versiones electrónicas de todos los archivos, lo que permite su descarga y disponibilidad instantáneas.
Además de los manuales de servicio y taller que enumeramos, también puede haber archivos de soporte adicionales, como manuales del propietario, disponibles para su modelo. Estos estarán vinculados a la página del Manual de servicio/taller si está disponible.