Suzuki
2003-2014 Suzuki AN650 Burgman Scooter Handbuch
2003-2014 Suzuki AN650 Burgman Scooter Handbuch
Verfügbarkeit für Abholungen konnte nicht geladen werden
2003 bis 2014 Suzuki AN 650 & ABS Burgman Scooter Handbuch Service-/Reparatur-/Werkstatthandbuch
Wird im PDF-Format in englischer Sprache bereitgestellt.
Inklusive Schaltplan.
Insgesamt 463 Seiten.
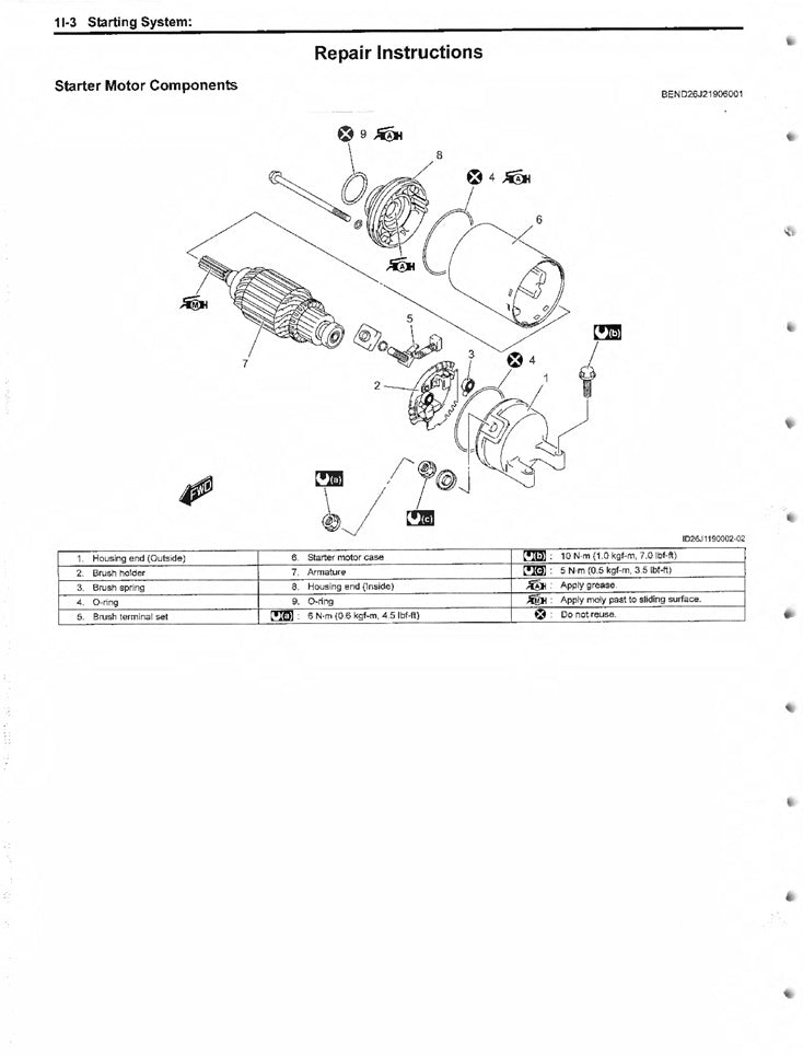
Beispielseite ist im zweiten Produktbild abgebildet.
Funktionen nach Kapiteln...
1. Allgemeine Information
2. Regelmäßige Wartung
3. Motor
4. Kraftstoffeinspritzsystem
5. CVT
6. FI-System/CVT-System
7. Kraftstoffsystem und Drosselklappengehäuse
8. C Kühl- und Schmiersystem
9. Fahrgestell
10. Elektrisches System
11. Wartungsinformationen
12. Informationen zur Emissionskontrolle
13. Schaltplan
Manuelle Dateibereitstellung
Manuelle Dateibereitstellung





-
Elektronische Dateizustellung
Unsere Produkte werden alle digital über automatisch generierte Download-Links geliefert. Dies wird ausgefüllt, sobald Sie Ihren Bestellvorgang abgeschlossen haben.
DatentypenDie meisten in diesen Produkten bereitgestellten Dateien liegen im PDF-Format vor und benötigen zum Lesen auf dem PC ein Programm wie Adobe Acrobat, können aber auch auf jedem Tablet, iPad, Telefon oder jedem anderen Gerät gelesen werden, das Dateien herunterladen und PDF-Dateien öffnen kann.
Einige Dateien werden auch in anderen Formaten geliefert, bei denen es sich um Bilder im JPG-Format oder ähnliches handeln kann.
Manuelle Dateiqualität
Die meisten auf dieser Website gefundenen Handbücher wurden in Papierform gescannt.
Einige davon sind überhaupt nicht verfügbar, ebenso möglicherweise Scans von fotokopierten Dateien des Originalhandbuchs.
Das liegt in der Natur des Problems bei der Suche nach Literatur, die den laufenden Einsatz und die Wartung älterer Maschinen unterstützt.
Die Dateien wurden bereinigt und gegebenenfalls einfacher nutzbar gemacht.
Viele dieser Dateien sind möglicherweise aus anderen Quellen verfügbar, aber was wir hier anbieten, ist eine zentrale Quelle für viele der verfügbaren Dateien, die meisten davon in einem benutzerfreundlicheren Format.
Versand
Wir stellen überhaupt keine gedruckten Handbücher zur Verfügung.Es werden nur elektronische Versionen aller Dateien bereitgestellt, die einen sofortigen Download und die sofortige Verfügbarkeit ermöglichen.
Neben den von uns aufgelisteten Service- und Werkstatthandbüchern sind möglicherweise auch zusätzliche Supportdateien wie Bedienungsanleitungen für Ihr Modell verfügbar. Diese werden, sofern verfügbar, mit der Seite „Service-/Werkstatthandbuch“ verlinkt.